| PART NUMBER | CORE MOUNTING | INDUCTANCE-mH | CURRENT RATINF-mA | LEAKAGE INDUCTANCE | DC RESISTANCE |
|---|---|---|---|---|---|
| FTS36H | HORIZANTAL | 36 | 85 | 625 | 6 |
| FTS36V | VERTICAL | 36 | 85 | 625 | 6 |
| FTS30H | HORIZONTAL | 30 | 120 | 525 | 4.5 |
| FTS30V | VERTICAL | 30 | 120 | 525 | 4.5 |
| FTS15H | HORIZONTAL | 15 | 150 | 355 | 2.75 |
| FTS15V | VERTICAL | 15 | 150 | 355 | 2.75 |
| FTS22H | HORIZONTALAL | 22 | 150 | 355 | 2.98 |
| FTS22V | VERTICAL | 22 | 150 | 355 | 2.98 |
| FTS9.2H | HORIZANTAL | 9.2 | 175 | 160 | 1.6 |
| FTS9.2V | VERTICAL | 9.2 | 175 | 160 | 1.6 |
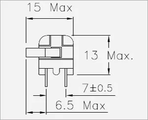
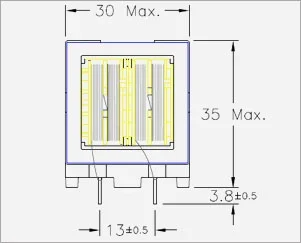
UU9.8 4 Pin Horizantal
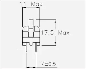
UU9.8 4 Pin Vertical
| PART NUMBER | CORE MOUNTING | INDUCTANCE-mH | CURRENT RATINF-mA | LEAKAGE INDUCTANCE | DC RESISTANCE |
|---|---|---|---|---|---|
| FTS36H | HORIZANTAL | 36 | 85 | 625 | 6 |
| FTS36V | VERTICAL | 36 | 85 | 625 | 6 |
| FTS30H | HORIZONTAL | 30 | 120 | 525 | 4.5 |
| FTS30V | VERTICAL | 30 | 120 | 525 | 4.5 |
| FTS15H | HORIZONTAL | 15 | 150 | 355 | 2.75 |
| FTS15V | VERTICAL | 15 | 150 | 355 | 2.75 |
| FTS22H | HORIZONTALAL | 22 | 150 | 355 | 2.98 |
| FTS22V | VERTICAL | 22 | 150 | 355 | 2.98 |
| FTS9.2H | HORIZANTAL | 9.2 | 175 | 160 | 1.6 |
| FTS9.2V | VERTICAL | 9.2 | 175 | 160 | 1.6 |
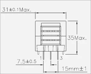
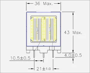
UU10.5 4 Pin Bobbin
Schematic Diagram
| PART NUMBER | CORE MOUNTING | INDUCTANCE-mH | CURRENT RATINF-mA | LEAKAGE INDUCTANCE | DC RESISTANCE |
|---|---|---|---|---|---|
| FTS36H | HORIZANTAL | 36 | 85 | 625 | 6 |
| FTS36V | VERTICAL | 36 | 85 | 625 | 6 |
| FTS30H | HORIZONTAL | 30 | 120 | 525 | 4.5 |
| FTS30V | VERTICAL | 30 | 120 | 525 | 4.5 |
| FTS15H | HORIZONTAL | 15 | 150 | 355 | 2.75 |
| FTS15V | VERTICAL | 15 | 150 | 355 | 2.75 |
| FTS22H | HORIZONTALAL | 22 | 150 | 355 | 2.98 |
| FTS22V | VERTICAL | 22 | 150 | 355 | 2.98 |
| FTS9.2H | HORIZANTAL | 9.2 | 175 | 160 | 1.6 |
| FTS9.2V | VERTICAL | 9.2 | 175 | 160 | 1.6 |
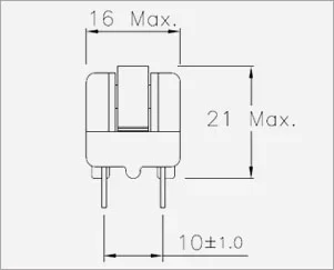
UU2506 Horizantal
UU2506 Vertical
Schematic Diagram
| PART NUMBER | CORE MOUNTING | INDUCTANCE-mH | CURRENT RATINF-mA | LEAKAGE INDUCTANCE | DC RESISTANCE |
|---|---|---|---|---|---|
| FTS36H | HORIZANTAL | 36 | 85 | 625 | 6 |
| FTS36V | VERTICAL | 36 | 85 | 625 | 6 |
| FTS30H | HORIZONTAL | 30 | 120 | 525 | 4.5 |
| FTS30V | VERTICAL | 30 | 120 | 525 | 4.5 |
| FTS15H | HORIZONTAL | 15 | 150 | 355 | 2.75 |
| FTS15V | VERTICAL | 15 | 150 | 355 | 2.75 |
| FTS22H | HORIZONTALAL | 22 | 150 | 355 | 2.98 |
| FTS22V | VERTICAL | 22 | 150 | 355 | 2.98 |
| FTS9.2H | HORIZANTAL | 9.2 | 175 | 160 | 1.6 |
| FTS9.2V | VERTICAL | 9.2 | 175 | 160 | 1.6 |
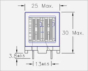
EE3007 CM chokes
Schematic Diagram
| PART NUMBER | CORE MOUNTING | INDUCTANCE-mH | CURRENT RATINF-mA | LEAKAGE INDUCTANCE | DC RESISTANCE |
|---|---|---|---|---|---|
| FTS36H | HORIZANTAL | 36 | 85 | 625 | 6 |
| FTS36V | VERTICAL | 36 | 85 | 625 | 6 |
| FTS30H | HORIZONTAL | 30 | 120 | 525 | 4.5 |
| FTS30V | VERTICAL | 30 | 120 | 525 | 4.5 |
| FTS15H | HORIZONTAL | 15 | 150 | 355 | 2.75 |
| FTS15V | VERTICAL | 15 | 150 | 355 | 2.75 |
| FTS22H | HORIZONTALAL | 22 | 150 | 355 | 2.98 |
| FTS22V | VERTICAL | 22 | 150 | 355 | 2.98 |
| FTS9.2H | HORIZANTAL | 9.2 | 175 | 160 | 1.6 |
| FTS9.2V | VERTICAL | 9.2 | 175 | 160 | 1.6 |
ET20CM chokes
Schematic Diagram
| PART NUMBER | CORE MOUNTING | INDUCTANCE-mH | CURRENT RATINF-mA | LEAKAGE INDUCTANCE | DC RESISTANCE |
|---|---|---|---|---|---|
| FTS36H | HORIZANTAL | 36 | 85 | 625 | 6 |
| FTS36V | VERTICAL | 36 | 85 | 625 | 6 |
| FTS30H | HORIZONTAL | 30 | 120 | 525 | 4.5 |
| FTS30V | VERTICAL | 30 | 120 | 525 | 4.5 |
| FTS15H | HORIZONTAL | 15 | 150 | 355 | 2.75 |
| FTS15V | VERTICAL | 15 | 150 | 355 | 2.75 |
| FTS22H | HORIZONTALAL | 22 | 150 | 355 | 2.98 |
| FTS22V | VERTICAL | 22 | 150 | 355 | 2.98 |
| FTS9.2H | HORIZANTAL | 9.2 | 175 | 160 | 1.6 |
| FTS9.2V | VERTICAL | 9.2 | 175 | 160 | 1.6 |
ET24 CM chokes
Schematic
| PART NUMBER | CORE MOUNTING | INDUCTANCE-mH | CURRENT RATINF-mA | LEAKAGE INDUCTANCE | DC RESISTANCE |
|---|---|---|---|---|---|
| FTS36H | HORIZANTAL | 36 | 85 | 625 | 6 |
| FTS36V | VERTICAL | 36 | 85 | 625 | 6 |
| FTS30H | HORIZONTAL | 30 | 120 | 525 | 4.5 |
| FTS30V | VERTICAL | 30 | 120 | 525 | 4.5 |
| FTS15H | HORIZONTAL | 15 | 150 | 355 | 2.75 |
| FTS15V | VERTICAL | 15 | 150 | 355 | 2.75 |
| FTS22H | HORIZONTALAL | 22 | 150 | 355 | 2.98 |
| FTS22V | VERTICAL | 22 | 150 | 355 | 2.98 |
| FTS9.2H | HORIZANTAL | 9.2 | 175 | 160 | 1.6 |
| FTS9.2V | VERTICAL | 9.2 | 175 | 160 | 1.6 |
ET28 pin Horizantal
ET28 pin Vertical
| PART NUMBER | CORE MOUNTING | INDUCTANCE-mH | CURRENT RATINF-mA | LEAKAGE INDUCTANCE | DC RESISTANCE |
|---|---|---|---|---|---|
| FTS36H | HORIZANTAL | 36 | 85 | 625 | 6 |
| FTS36V | VERTICAL | 36 | 85 | 625 | 6 |
| FTS30H | HORIZONTAL | 30 | 120 | 525 | 4.5 |
| FTS30V | VERTICAL | 30 | 120 | 525 | 4.5 |
| FTS15H | HORIZONTAL | 15 | 150 | 355 | 2.75 |
| FTS15V | VERTICAL | 15 | 150 | 355 | 2.75 |
| FTS22H | HORIZONTALAL | 22 | 150 | 355 | 2.98 |
| FTS22V | VERTICAL | 22 | 150 | 355 | 2.98 |
| FTS9.2H | HORIZANTAL | 9.2 | 175 | 160 | 1.6 |
| FTS9.2V | VERTICAL | 9.2 | 175 | 160 | 1.6 |
ET35 pin Horizantal
ET35 pin Vertical