Loading...
Fluxtq, Bangalore
Mon - Sat : 09.00 AM - 09.00 PM
+918095009113   +919916829592

Drum Core 6X8

DRUM CORE PART NUMBER INDUCTANCE @1KHz 0.3V RATED CURRENT (rms) Isat DC RESISTANCE Ohms-(Max) @200°C
6 X 8 59802 3.3µH ± 20% 1A 2.5A 25mΩ
6 X 8 107601 5.5µH ± 20% 750mA 2.1A 30mΩ
6 X 8 44202 10µH ± 20% 1A 1.5A 60mΩ
6 X 8 126001 13µH ± 20% 1.2A 1.3A 45mΩ
6 X 8 59701 15µH ± 20% 0.5A 1A 110mΩ
6 X 8 95602 100µH ± 20% 300mA 450mA 355mΩ
6 X 8 26802 800µH ± 20% 150mA 170mA 3.3Ω

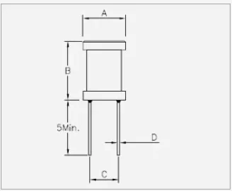
Not to scale

Drum Core Dimensions Diagram
6x8 8x10 10x12 12x15
A Ø 8 mm Ø 8 mm Ø 12 mm Ø 14 mm
B 10 mm 15 mm 14 mm 16 mm
C 3.00 ±0.5 mm 5.00 ±0.5 mm 6.00 ±0.5 mm 10.00 ±1.0 mm
D 0.6 mm ±0.1 0.6 mm ±0.1 0.8 mm ±0.1
Drum Core Inductor Coil Structure

Drum Core 8X10

DRUM CORE PART NUMBER INDUCTANCE @1KHz 0.3V RATED CURRENT (rms) Isat DC RESISTANCE Ohms-(Max) @200°C
6 X 8 59802 3.3µH ± 20% 1A 2.5A 25mΩ
6 X 8 107601 5.5µH ± 20% 750mA 2.1A 30mΩ
6 X 8 44202 10µH ± 20% 1A 1.5A 60mΩ
6 X 8 126001 13µH ± 20% 1.2A 1.3A 45mΩ
6 X 8 59701 15µH ± 20% 0.5A 1A 110mΩ
6 X 8 95602 100µH ± 20% 300mA 450mA 355mΩ
6 X 8 26802 800µH ± 20% 150mA 170mA 3.3Ω

Not to scale

Diagram
6x8 8x10 10x12 12x15
A Ø 8 mm Ø 8 mm Ø 12 mm Ø 14 mm
B 10 mm 15 mm 14 mm 16 mm
C 3.00 ±0.5 mm 5.00 ±0.5 mm 6.00 ±0.5 mm 10.00 ±1.0 mm
D 0.6 mm ±0.1 0.6 mm ±0.1 0.8 mm ±0.1
Inductor Coil

Drum Core 10X12

DRUM CORE PART NUMBER INDUCTANCE @1KHz 0.3V RATED CURRENT (rms) Isat DC RESISTANCE Ohms-(Max) @200°C
10 X 12 122001 3.3µH ± 20% 3A 3A 10mΩ
10 X 12 37401 10µH ± 20% 2.9A 2.9A 15mΩ
10 X 12 133201 15µH ± 20% 2.3A 2.3A 35mΩ
10 X 12 60801 33µH ± 20% 1.5A 1.5A 45mΩ
10 X 12 116601 52µH ± 20% 1.3A 1.3A 80mΩ
10 X 12 130401 90µH ± 20% 900mA 900mA 120mΩ
10 X 12 60101 120µH ± 20% 850mA 850mA 140mΩ
10 X 12 66602 170µH ± 20% 350mA 800mA 310mΩ
10 X 12 69602 330µH ± 20% 400mA 500mA 475mΩ
10 X 12 24501 525µH ± 20% 425mA 425mA 575mΩ

Not to scale

Diagram
6x8 8x10 10x12 12x15
A Ø 8 mm Ø 8 mm Ø 12 mm Ø 14 mm
B 10 mm 15 mm 14 mm 16 mm
C 3.00 ±0.5 mm 5.00 ±0.5 mm 6.00 ±0.5 mm 10.00 ±1.0 mm
D 0.6 mm ±0.1 0.6 mm ±0.1 0.8 mm ±0.1
Drum Core Inductor Coil Structure

Drum Core 12X15

DRUM CORE PART NUMBER INDUCTANCE @1KHz 0.3V RATED CURRENT (rms) Isat DC RESISTANCE Ohms-(Max) @200°C
12 X 15 *062202 3µH ± 20% 6A 8A 5.5mΩ
12 X 15 *063601 47µH ± 20% 1.5A 2.5A 750mA
12 X 15 *061801 120µH ± 20% 1.6A 1.6A 110mΩ

Not to scale

Diagram
6x8 8x10 10x12 12x15
A Ø 8 mm Ø 12 mm Ø 12 mm Ø 14 mm
B 10 mm 14 mm 14 mm 16 mm
C 3.00 ±0.5 mm 6.00 ±0.5 mm 6.00 ±0.5 mm 10.00 ±1.0 mm
D 0.6 mm ±0.1 0.80 mm ±0.1 0.8 mm ±0.1
Drum Core Inductor Coil Structure